
в реестре российского ПО
Регистрационный № 9954
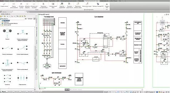
Описание «Model Studio CS Электротехнические схемы»
Простой в использовании программный комплекс, предназначенный для создания и корректировки полного перечня электротехнической документации, включая схемы принципиальные, схемы подключения кабелей, схем кабельных связей, однолинейных схем, схем ИТС и пр.
Преимущества «Model Studio CS Электротехнические схемы»
- Имеет достаточно полную базу УГО для прорисовки схем электрических принципиальных в соответствии с ГОСТ
- База данных может работать как в локальном режиме на рабочем месте пользователя, так и в режиме общего доступа на сервере.
Функции «Model Studio CS Электротехнические схемы»
- Системная интеграция
- Графический интерфейс
- Поддержка стандартов
- Поддержка 2D/3D моделирования
- Гибкость настроек
- Справочник оборудования
- Управление документацией
Характеристики «Model Studio CS Электротехнические схемы»
| Операционная система | Windows |
| Техническая поддержка | Email/HelpDesk |
| Стартовая стоимость | бесплатно |
| Обучение по продукту | Онлайн, видео-материалы |
| Размер бизнеса | отраслевой бизнес |
Скриншоты «Model Studio CS Электротехнические схемы»
Заменяет иностранные решения:
Категории
Нужно собственное решение?
Создайте заказ на разработку, проверенные исполнители напишут вам сами!
